Witaj! Panel klienta

800-047CIFAM

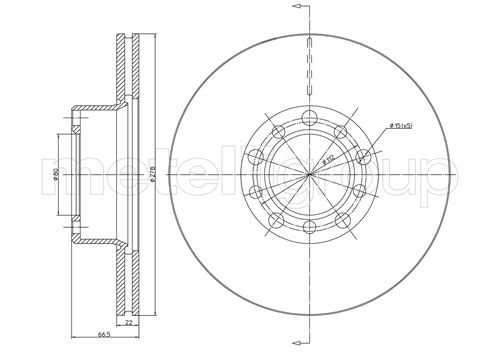
tarcza hamulcowa
TARCZA HAMULCOWA MERCEDES W116 S-KLASA 72-80 WEN.
Parametry:
  • Oznaczenie kontrolne : ECE-R90
  • Wysokość [mm] : 66,5
  • Typ tarczy hamulcowej : wentylowany
  • Grubość tarczy hamulcowej [mm] : 22,0
  • średnica zewnętrzna [mm] : 278,0
  • Liczba otworów : 5
  • Średnica otworu centrującego [mm] : 80,0
( brutto)
SKU 800-047
Producent

Kłodnica
Towar dostępny od ręki
0
Magazyn 1.
Pn-Pt zamówienia do 10:55 - dostawa 3 trasa Zamówienia do 17:55 dostawa 1 trasa rano
0
A.B.S.: 15739
ATE: 24.0122-0106.1, 422106
BENDIX: 520354, 561166B, BDS2101
BOSCH: 0 986 478 060
BRADI: 1.2805.2.4
BRECO: BS7818
BREMBO: 09.2465.10
CAR: 142461
DELPHI: BG2205
FEBI BILSTEIN: 08545
FERODO: DDF142
FREMAX: BD-0205
FRI.TECH.: BD0438
FTE: BS1073
GUTTMANN: 5019546151
ICER: 78BD0205-2
INTERBRAKE: HMR061V, MR061V
JURID: 520354, 561166J
KNECHT: KTV180
LPR: M2061V
METELLI: 23-0047
MEYLE: 0155212002, 0155212002/PD
MGA: 105D847
NK: 203349, 313349
OPEN PARTS: BDR1289.20
PAGID: 52114
PILENGA: V180
QH BENELUX: 55036
QUINTON HAZELL: BDC1073
REMSA: BDM6289.20, DF6289.20
ROADHOUSE: 6275.10
SASIC: 9004345J
SBS: 1815203349, 1815313349
SWAG: 10908545
TEXTAR: 98200009801
TRUSTING: DF438
TRW: DF1575
VAICO: V30-80017
VILLAR: 6281208
WOKING: D6275.10
ZIMMERMANN: 400105200
MERCEDES-BENZ: KLASA S (W116) (1972-08 » 1980-07), SL (R107) (1971-05 » 1989-12), SL coupe (C107) (1972-01 » 1985-08)