Witaj! Panel klienta

890082NISSENS

sprężarka, klimatyzacja
KOMPRESOR KLIMATYZACJI LAND ROVER
Parametry:
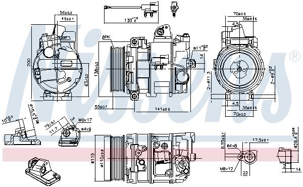
  • Ø koła pasowego [mm] : 110
  • Pojemność skokowa sprężarki [ccm] : 180
  • ID sprężarki : 7SEU17C
  • Olej do sprężarki : PAG 46
  • Kształt obudowy wtyczki : owalny
  • Artykuł uzupełniający / informacja uzupełniająca 2 : z olejem do sprężarki PAG
  • Dolot - Ø [mm] : 28
  • Ø wylotu [mm] : 16
  • Liczba rowków : 8
  • Liczba zestyków : 2
  • Ilość oleju [ml] : 180
  • Rodzaj wtyczki : żeński
  • Czynnik chłodniczy : R 134a
  • Napięcie [V] : 12
  • Artykuł uzupełniający / informacja uzupełniająca 2 : ze sprzęgłem elektromagnetycznym
( brutto)
SKU 890082
Producent

Kłodnica
Towar dostępny od ręki
0
Magazyn 1.
Pn-Pt zamówienia do 10:55 - dostawa 3 trasa Zamówienia do 17:55 dostawa 1 trasa rano
0
Magazyn 2.
Zamówienia do 17:55 dostawa 1 trasa rano
0

FIRST FIT - w razie potrzeby zawiera wstepnie napelnionyolej PAG i o-ringiSprawdz instrukcjz obzsugi pojazdu dla prawidzowej ilozci oraz typu oleju

AKS DASIS: 851646N
ALANKO: 10550008
AUTO AIR GLOUCESTER: 140267, 140267R
AVA CLEVER CHOICE: AUAK187
BEHR HELLA SERVICE: 8FK351125261, 8FK351125761
DELPHI: TSP0155483
DENSO: 4471808380, DCP14014
DRI: 700510406
ELSTOCK: 510406
FRIGAIR: 92030116
LUCAS: ACP505
LUZAR: LCAC1027
MAHLE: ACP143000P, ACP143000S
NRF: 32246, 32246G
SCHLIECKMANN: 6002K187
TEAMEC: 8629728
VALEO: 811218
VAN WEZEL: 0200K187
LAND ROVER: DISCOVERY III (L319) (2004-07 » 2009-09), DISCOVERY III VAN (L319) (2007-01 » 2009-07), RANGE ROVER SPORT I (L320) (2005-02 » 2013-03)