Witaj! Panel klienta

890614NISSENS

sprężarka, klimatyzacja
KOMPRESOR KLIMATYZACJI MAZDA
Parametry:
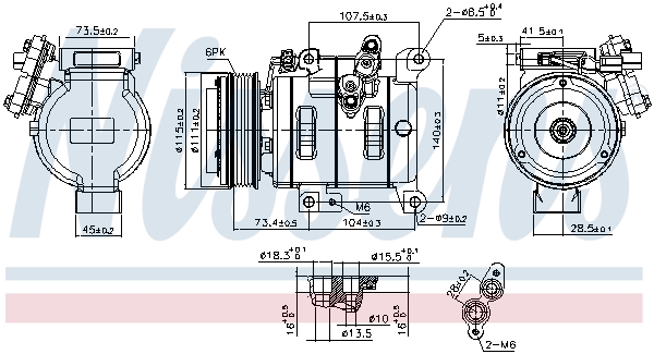
  • Ø koła pasowego [mm] : 111
  • Pojemność skokowa sprężarki [ccm] : 148
  • ID sprężarki : RS13
  • Olej do sprężarki : PAG 46 YF
  • Kształt obudowy wtyczki : prostokątny
  • Artykuł uzupełniający / informacja uzupełniająca 2 : z olejem do sprężarki PAG
  • Średnica wlotu [mm] : 18,3
  • Średnica wylotu [mm] : 15,5
  • Liczba rowków : 6
  • Liczba zestyków : 1
  • Ilość oleju [ml] : 150
  • Rodzaj wtyczki : męski
  • Czynnik chłodniczy : R 134a
  • Czynnik chłodniczy : R 1234yf
  • Napięcie [V] : 12
  • Artykuł uzupełniający / informacja uzupełniająca 2 : ze sprzęgłem elektromagnetycznym
( brutto)
SKU 890614
Producent

Kłodnica
Towar dostępny od ręki
0
Magazyn 1.
Pn-Pt zamówienia do 10:55 - dostawa 3 trasa Zamówienia do 17:55 dostawa 1 trasa rano
0
Magazyn 2.
Zamówienia do 17:55 dostawa 1 trasa rano
0

FIRST FIT - w razie potrzeby zawiera wstepnie napelnionyolej PAG i o-ringiSprawdz instrukcjz obzsugi pojazdu dla prawidzowej ilozci oraz typu oleju

4SEASONS: 198384
AHE: 970180
AIRSTAL: 103147
ASHUKI BY PALIDIUM: M55093
AVA CLEVER CHOICE: MZAK303
BEHR HELLA SERVICE: 8FK351010671
BOSCH: 1986AD1400
DRI: 700511075
ELSTOCK: 511075
FISPA: 19111
LUCAS: ACP01174
MAHLE: ACP1457000S, ACP1498000S
MEAT & DORIA: K19111
NRF: 320111
VAN WEZEL: 2701K702
MAZDA: 3 (BM, BN) (2013-07 » 2019-05), 3 Furgon/hatchback (BM) (2015-04 » 2016-05), 3 sedan (BM_, BN_) (2013-09 » 2019-12), 6 Furgon/kombi (GJ) (2013-01 » 2016-05), 6 Kombi (GJ, GL) (2012-08 » ), 6 sedan (GJ, GL) (2012-12 » ), CX-5 (KE, GH) (2011-11 » 2017-02), CX-5 (KF) (2016-11 » ), CX-5 Van (KE_) (2011-11 » 2017-02)