Witaj! Panel klienta

890627NISSENS

sprężarka, klimatyzacja
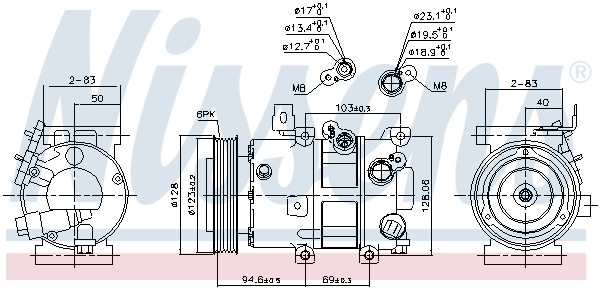
KOMPRESOR KLIMATYZACJI KIA
Parametry:
  • Ø koła pasowego [mm] : 123
  • ID sprężarki : VS-16E
  • Olej do sprężarki : PAG 46
  • Kształt obudowy wtyczki : owalny
  • Artykuł uzupełniający / informacja uzupełniająca 2 : bez oleju do sprężarki PAG
  • Liczba rowków : 6
  • Czynnik chłodniczy : R 134a
  • Napięcie [V] : 12
( brutto)
SKU 890627
Producent

Kłodnica
Towar dostępny od ręki
0
Magazyn 1.
Pn-Pt zamówienia do 10:55 - dostawa 3 trasa Zamówienia do 17:55 dostawa 1 trasa rano
0
Magazyn 2.
Zamówienia do 17:55 dostawa 1 trasa rano
0

FIRST FIT - w razie potrzeby zawiera wstepnie napelnionyolej PAG i o-ringiSprawdz instrukcjz obzsugi pojazdu dla prawidzowej ilozci oraz typu oleju

KIA: CARENS IV (2013-01 » )