Witaj! Panel klienta

800-084CIFAM

tarcza hamulcowa
TARCZA HAMULCOWA BMW 3 E30 82-91 TYŁ
Parametry:
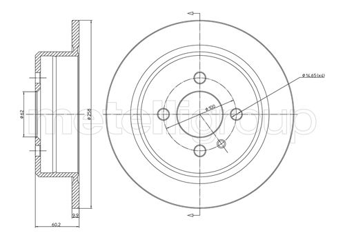
  • Oznaczenie kontrolne : ECE-R90
  • Wysokość [mm] : 60,0
  • Typ tarczy hamulcowej : pełny
  • Grubość tarczy hamulcowej [mm] : 9,9
  • średnica zewnętrzna [mm] : 258,0
  • Liczba otworów : 4
  • Średnica otworu centrującego [mm] : 62,0
( brutto)
SKU 800-084
Producent

Kłodnica
Towar dostępny od ręki
0
Magazyn 1.
Pn-Pt zamówienia do 10:55 - dostawa 3 trasa Zamówienia do 17:55 dostawa 1 trasa rano
0
A.B.S.: 15726
APEC: DSK553
ATE: 24.0110-0150.1, 24.0310-0150.1, 410150, 510150
BENDIX: 520162, 561132B, 561132BC
BLUE PRINT: ADB114390
BOSCH: 0 986 478 034
BRADI: 1.0612.5.4
BRAKE ENGINEERING: DI839472
BRECO: BS7271
BREMBO: 08.3947.20
CAR: 142111
DELPHI: BG2202
FEBI BILSTEIN: 04091
FERODO: DDF093
FREMAX: BD-9581
FRI.TECH.: BD0093
FTE: BS3288, BS3288B
GUTTMANN: 5012511115
ICER: 78BD9581-2
INTERBRAKE: BW131P, HBW131P
JURID: 520162, 561132J, 561132JC
KNECHT: KT5119
LPR: B2131P
MAGNETI MARELLI: 353610612540, 360406015200, 431602041230
MAPCO: 15719
METELLI: 23-0084
MEYLE: 3155233001, 3155233001/PD
MGA: 105D884
MINTEX: MDC470
NATIONAL: NBD105
NK: 201510, 311510
OPEN PARTS: BDR1079.10
OPTIMAL: BS-1970C
PAGID: 50407, 50407N
PILENGA: 5119
QH BENELUX: 52485
QUINTON HAZELL: BDC3288
REMSA: BDM6079.10, DF6079.10, DF6197.00
ROADHOUSE: 6197.00
SASIC: 9004370J
SBS: 1815201510, 1815311510
SWAG: 20904091
TEXTAR: 98200019201
TOPRAN: 500557
TRUSTING: DF093
TRW: DF1561
VALEO: 673360
VEMA: 98188
VILLAR: 6281466
WOKING: D6197.00
ZIMMERMANN: 150112900, 150112920
BMW: 3 (E21) (1975-06 » 1984-03), 3 (E30) (1982-09 » 1992-03), 3 kabriolet (E30) (1982-09 » 1993-11), 3 Touring (E30) (1987-07 » 1994-10)