Witaj! Panel klienta

89116NISSENS

sprężarka, klimatyzacja
KOMPRESOR KLIMATYZACJI BMW
Parametry:
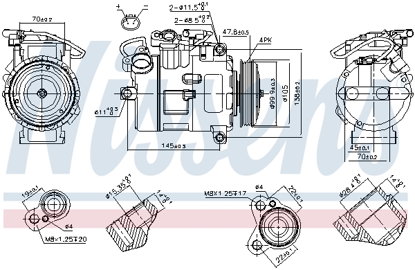
  • Ø koła pasowego [mm] : 110
  • Pojemność skokowa sprężarki [ccm] : 160
  • ID sprężarki : 7SE17
  • Olej do sprężarki : PAG 46 YF
  • Artykuł uzupełniający / informacja uzupełniająca 2 : z olejem do sprężarki PAG
  • Dolot - Ø [mm] : 28,4
  • Ø wylotu [mm] : 15,4
  • Liczba rowków : 4
  • Liczba zestyków : 2
  • Ilość oleju [ml] : 180
  • Czynnik chłodniczy : R 134a
  • Czynnik chłodniczy : R 1234yf
  • Napięcie [V] : 12
( brutto)
SKU 89116
Producent

Kłodnica
Towar dostępny od ręki
0
Magazyn 1.
Pn-Pt zamówienia do 10:55 - dostawa 3 trasa Zamówienia do 17:55 dostawa 1 trasa rano
0
Magazyn 2.
Zamówienia do 17:55 dostawa 1 trasa rano
0

FIRST FIT - w razie potrzeby zawiera wstepnie napelnionyolej PAG i o-ringiSprawdz instrukcjz obzsugi pojazdu dla prawidzowej ilozci oraz typu oleju

4SEASONS: 68305
AIRSTAL: 100663
AKS DASIS: 851588N, 851807N, 851811N, 852997N
ALANKO: 10551467
AUTO AIR GLOUCESTER: 140041, 140041P, 149643, 149650, 149650P, 149650R
AVA CLEVER CHOICE: BWAK306
BEHR HELLA SERVICE: 8FK351322251, 8FK351322751, 8FK351340391, 8FK351340891
BOSCH: 1986AD1043
DELPHI: CS20093, TSP0155463, TSP0159463
DENSO: 4711484, DCP05020, DCP05092, DCP05094
DRI: 700510244
ELSTOCK: 510244
FRIGAIR: 92030042, 92030127, 92030257, 93030042, 93030127
HC-PARTS: AC432
KLITECH: KT5124, KT5124OE
LIZARTE: 810862002
LUCAS: ACP01461, ACP343
MAHLE: ACP100000P, ACP100000S, ACP1428000P, ACP1428000S, ACP270000S
NRF: 32433, 32433G, 32526G
SCHLIECKMANN: 6006K306
TEAMEC: 8629706
VALEO: 559458, 813194
VAN WEZEL: 0600K306, 0600K331
WAECO: 8880100297, 8880110573
BMW: 3 (E90) (2004-02 » 2012-02), 3 coupe (E92) (2005-01 » 2013-12), 3 Touring (E91) (2004-12 » 2012-12), 5 (E60) (2001-12 » 2010-03), 5 Gran Turismo (F07) (2009-01 » 2017-02), 5 Touring (E61) (2004-03 » 2010-12), 7 (E65, E66, E67) (2001-07 » 2009-12)