Witaj! Panel klienta

89422NISSENS

sprężarka, klimatyzacja
KOMPRESOR KLIMATYZACJI BMW
Parametry:
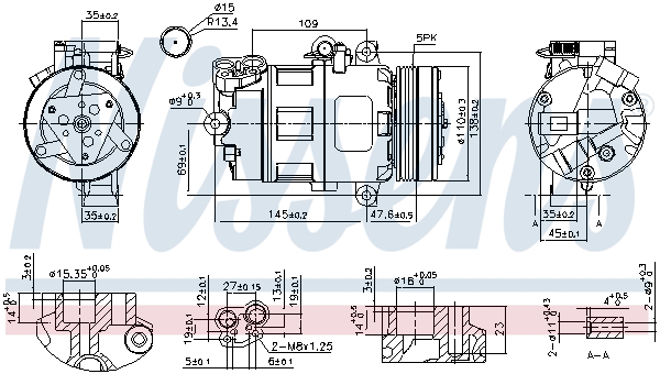
  • Ø koła pasowego [mm] : 110
  • Pojemność skokowa sprężarki [ccm] : 140
  • ID sprężarki : CSV613
  • Olej do sprężarki : PAG 46
  • Kształt obudowy wtyczki : okrągły
  • Artykuł uzupełniający / informacja uzupełniająca 2 : z olejem do sprężarki PAG
  • Średnica wlotu [mm] : 18
  • Średnica wylotu [mm] : 15,4
  • Liczba rowków : 5
  • Liczba zestyków : 1
  • Ilość oleju [ml] : 150
  • Rodzaj wtyczki : męski
  • Czynnik chłodniczy : R 134a
  • Napięcie [V] : 12
  • Artykuł uzupełniający / informacja uzupełniająca 2 : ze sprzęgłem elektromagnetycznym
( brutto)
SKU 89422
Producent

Kłodnica
Towar dostępny od ręki
0
Magazyn 1.
Pn-Pt zamówienia do 10:55 - dostawa 3 trasa Zamówienia do 17:55 dostawa 1 trasa rano
0
Magazyn 2.
Zamówienia do 17:55 dostawa 1 trasa rano
0

FIRST FIT - w razie potrzeby zawiera wstepnie napelnionyolej PAG i o-ringiSprawdz instrukcjz obzsugi pojazdu dla prawidzowej ilozci oraz typu oleju

ACR: 134787, 134787R
AHE: 97827
AKS DASIS: 851911N
ALANKO: 10550548
AVA CLEVER CHOICE: BWAK390
BEHR HELLA SERVICE: 8FK351109881
DENSO: DCP05087
DIEDERICHS: DCK1120
DRI: 700510630
ELSTOCK: 510630
ERA: AC51096
FISPA: 19059A
LIZARTE: 811602004
LUCAS: ACP729
MAHLE: ACP811000S
MEAT & DORIA: K19059A
NRF: 32434
TEAMEC: 8600222
VAN WEZEL: 0600K390
BMW: 3 (E46) (1997-12 » 2005-05), 3 coupe (E46) (1998-12 » 2006-07), 3 Touring (E46) (1999-06 » 2005-07), 5 (E39) (1995-09 » 2003-07), 5 Touring (E39) (1996-09 » 2004-06), Z3 coupe (E36) (1997-04 » 2003-06), Z3 Roadster (E36) (1995-10 » 2003-01)