Witaj! Panel klienta

89513NISSENS

sprężarka, klimatyzacja
KOMPRESOR KLIMATYZACJI AUDI
Parametry:
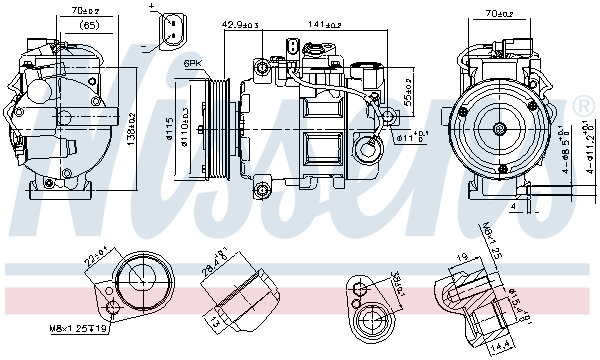
  • Ø koła pasowego [mm] : 110
  • Pojemność skokowa sprężarki [ccm] : 140
  • ID sprężarki : 6SEU14C
  • Olej do sprężarki : PAG 46
  • Artykuł uzupełniający / informacja uzupełniająca 2 : z olejem do sprężarki PAG
  • Dolot - Ø [mm] : 28,4
  • Ø wylotu [mm] : 15,4
  • Liczba rowków : 6
  • Liczba zestyków : 2
  • Ilość oleju [ml] : 120
  • Czynnik chłodniczy : R 134a
  • Napięcie [V] : 12
( brutto)
SKU 89513
Producent

Kłodnica
Towar dostępny od ręki
0
Magazyn 1.
Pn-Pt zamówienia do 10:55 - dostawa 3 trasa Zamówienia do 17:55 dostawa 1 trasa rano
0
Magazyn 2.
Zamówienia do 17:55 dostawa 1 trasa rano
0

FIRST FIT - w razie potrzeby zawiera wstepnie napelnionyolej PAG i o-ringiSprawdz instrukcjz obzsugi pojazdu dla prawidzowej ilozci oraz typu oleju

AUDI: A4 Allroad B8 (8KH) (2009-04 » 2017-06), A4 B6 (8E2) (2000-11 » 2005-12), A4 B6 Avant (8E5) (2000-02 » 2005-12), A4 B6 kabriolet (8H7) (2002-01 » 2009-12), A4 B7 (8EC) (2004-11 » 2009-01), A4 B7 Avant (8ED) (2004-11 » 2008-11), A4 B8 (8K2) (2007-08 » 2017-06), A4 B8 Avant (8K5) (2007-11 » 2017-06), A5 (8T3) (2007-06 » 2017-10), A5 kabriolet (8F7) (2009-02 » 2017-10), A5 Sportback (8TA) (2007-07 » 2017-10), A6 Allroad C6 (4FH) (2006-03 » 2011-08), A6 Allroad C7 (4GH, 4GJ) (2012-01 » 2018-09), A6 C6 (4F2) (2004-04 » 2011-08), A6 C6 Avant (4F5) (2004-11 » 2011-08), A6 C7 (4G2, 4GC) (2010-11 » 2019-11), A6 C7 Avant (4G5, 4GD) (2011-05 » 2019-11), A7 Sportback (4GA, 4GF) (2010-07 » 2019-11), Q5 (8RB) (2008-11 » 2019-04), Q5 Van (8RB) (2008-11 » 2017-12)