Witaj! Panel klienta

800-1063CCIFAM

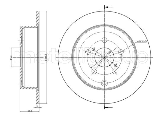
tarcza hamulcowa
TARCZA HAMULC. TOYOTA CELICA 99-05 1,8 16V TYŁ
Parametry:
  • Oznaczenie kontrolne : ECE-R90
  • Wysokość [mm] : 56,0
  • Typ tarczy hamulcowej : pełny
  • Grubość tarczy hamulcowej [mm] : 9,0
  • średnica zewnętrzna [mm] : 269,0
  • Liczba otworów : 5
  • Średnica otworu centrującego [mm] : 55,0
  • Powierzchnia : lakierowany
( brutto)
SKU 800-1063C
Producent

Kłodnica
Towar dostępny od ręki
0
Magazyn 1.
Pn-Pt zamówienia do 10:55 - dostawa 3 trasa Zamówienia do 17:55 dostawa 1 trasa rano
0
TOYOTA: 42431-47030
APEC: DSK2472
ASHIKA: 61-02-210C
ATE: 24.0109-0711.1, 409711
BENDIX: 520821
BLUE PRINT: ADT343145
BOSCH: 0 986 479 658
BRAKE ENGINEERING: DI956102
BRECO: BS6039, BV6039
BREMBO: 08.A273.20, 08.A273.21
CAR: 1421204
DELPHI: BG3822
FEBI BILSTEIN: 108416
FERODO: DDF1485, DDF1485C
FRI.TECH.: BD1150
FTE: BS7650
GUTTMANN: 50260104115
INTERBRAKE: TT151P
JAPANPARTS: DP-210, DP-210C
JAPKO: 61210C
JURID: 520821
KLAXCAR FRANCE: 25341z
LPR: T2015P
METELLI: 23-1063C
MEYLE: 30155230031, 30155230031/PD
NATIONAL: NBD1095
NIPPARTS: J3312042
NK: 2045156, 3145156
OPEN PARTS: BDA2314.10
OPTIMAL: BS-8414C
PAGID: 54704, 54704NC
PILENGA: 5498
QH BENELUX: HP58259
QUINTON HAZELL: BDC5884
REMSA: DF61168.00
ROADHOUSE: 61168.00
SASIC: 6106279
SBS: 18153145156
SKF: VKBD90531S2
TEXTAR: 98200170401
TRUSTING: DF1150
TRW: DF4899
VALEO: 673363
VILLAR: 6282248
WOKING: D61168.00
TOYOTA: CELICA coupe (_T23_) (1999-08 » 2006-03), PRIUS Liftback (_W2_) (2003-09 » 2010-01)
TOYOTA (FAW): PRIUS (_W2_) (2005-01 » 2009-12)