Witaj! Panel klienta

800-1117CCIFAM

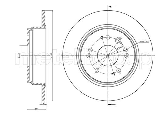
tarcza hamulcowa
TARCZA HAMULCOWA HONDA CR-V II 02-06 TYŁ
Parametry:
  • Oznaczenie kontrolne : ECE-R90
  • Wysokość [mm] : 49,0
  • Typ tarczy hamulcowej : pełny
  • Grubość tarczy hamulcowej [mm] : 9,0
  • średnica zewnętrzna [mm] : 282,0
  • Liczba otworów : 5
  • Średnica otworu centrującego [mm] : 64,0
  • Powierzchnia : lakierowany
( brutto)
SKU 800-1117C
Producent

Kłodnica
Towar dostępny od ręki
0
Magazyn 1.
Pn-Pt zamówienia do 10:55 - dostawa 3 trasa Zamówienia do 17:55 dostawa 1 trasa rano
0
A.B.S.: 17604
APEC: DSK2495
ASHIKA: 61-04-441, 61-04-441C
ATE: 24.0109-0144.1, 409144
BENDIX: 520919, 562543BC, BDS1859
BLUE PRINT: ADH24387
BOSCH: 0 986 479 505
BRECO: BS6047
BREMBO: 08.8868.20
CAR: 1421241, HPD1241
DELPHI: BG3979
FEBI BILSTEIN: 108427
FERODO: DDF1933, DDF1933-1
FIRST LINE: FBD1898
FRI.TECH.: BD1109
FTE: BS7426, BS7426B
GUTTMANN: 50155137815
INTERBRAKE: HHO701P, HO701P
JAPANPARTS: DP-441, DP-441C
JAPKO: 61441, 61441C
JURID: 520919, 562543JC
LPR: H1014P
METELLI: 23-1117C
MEYLE: 31155230029, 31155230029/PD, 31155230054, 31155230054/PD
NATIONAL: NBD1365, NBD1390
NIPPARTS: J3314035
NK: 202644, 312644
OPEN PARTS: BDR2171.10
OPTIMAL: BS-8342C
PAGID: 54657NC
QUINTON HAZELL: BDC5803
REMSA: DF61157.00
SBS: 1815202644, 1815312644
SKF: VKBD91098S2
SWAG: 33106925
TEXTAR: 92165700, 92165703
TRUSTING: DF1109
TRW: DF8083
VAICO: A26-40009
VALEO: 673494
VILLAR: 6282235
WOKING: D61157.00
HONDA: CR-V II (RD_) (2001-09 » 2007-07)