Witaj! Panel klienta

800-1333CCIFAM

tarcza hamulcowa
TARCZA HAMULCOWA TOYOTA AVENSIS 09- PRZÓD
Parametry:
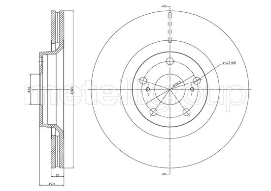
  • Oznaczenie kontrolne : ECE-R90
  • Wysokość [mm] : 49,3
  • Typ tarczy hamulcowej : wentylowany
  • Grubość tarczy hamulcowej [mm] : 26,0
  • średnica zewnętrzna [mm] : 320,0
  • Liczba otworów : 5
  • Średnica otworu centrującego [mm] : 62,0
  • Powierzchnia : lakierowany
( brutto)
SKU 800-1333C
Producent

Kłodnica
Towar dostępny od ręki
0
Magazyn 1.
Pn-Pt zamówienia do 10:55 - dostawa 3 trasa Zamówienia do 17:55 dostawa 1 trasa rano
0
TOYOTA: 43512-05090
A.B.S.: 18085
APEC: DSK2655, SDK6584
ASHIKA: 60-02-2015
ATE: 24.0126-0160.1, 426160
BENDIX: 522251, 562726BC
BLUE PRINT: ADT343272
BOSCH: 0 986 479 562
BRAKE ENGINEERING: DI956843
BRECO: BS8838, BV8838
BREMBO: 09.B046.10, 09.B046.11
CAR: 1421532
DELPHI: BG4235
FEBI BILSTEIN: 108551
FERODO: DDF1754, DDF1754C
FIRST LINE: FBD1837
FREMAX: BD-0507
FRI.TECH.: BD1390
FTE: BS7625, BS7625B
GUTTMANN: 50260141251
ICER: 78BD0047-1
INTERBRAKE: TT481V
JAPANPARTS: DI-2015, DI-2015C
JAPKO: 602015
JURID: 522251, 562726JC
KLAXCAR FRANCE: 25460z
LPR: T2059V
METELLI: 23-1333C
MEYLE: 30155210085, 30155210085/PD, 30155210124/PD
NATIONAL: NBD1729
NIPPARTS: N3302170
NK: 2045129, 3145129
OPTIMAL: BS-8326C
PAGID: 54953NC
PILENGA: V395
QUINTON HAZELL: BDC5880
REMSA: DF61329.10
SBS: 18152045129, 18153145129
SKF: VKBD81143V1
SWAG: 33106461
TEXTAR: 92195300, 92195303
TRUSTING: DF1390
TRW: DF6268
VILLAR: 6282689
WOKING: D61329.10
ZIMMERMANN: 590259820
TOYOTA: AVENSIS Kombi (_T27_) (2008-11 » 2018-10), AVENSIS sedan (_T27_) (2008-11 » 2018-10), VERSO (_R2_) (2009-04 » 2018-08)