Witaj! Panel klienta

800-408CIFAM

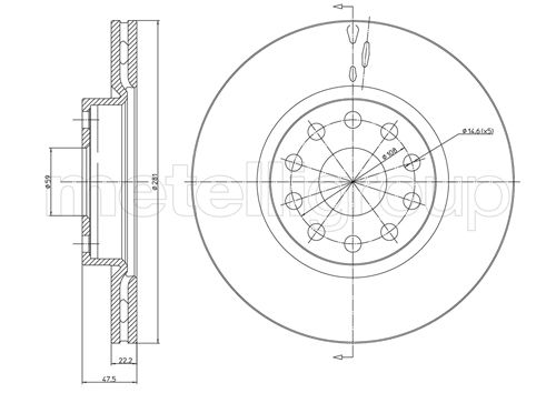
tarcza hamulcowa
TARCZA HAMULCOWA LANCIA KAPPA 95-01 2,0IE
Parametry:
  • Oznaczenie kontrolne : ECE-R90
  • Wysokość [mm] : 47,8
  • Typ tarczy hamulcowej : wentylowany
  • Grubość tarczy hamulcowej [mm] : 22,0
  • średnica zewnętrzna [mm] : 281,0
  • Liczba otworów : 5
  • Średnica otworu centrującego [mm] : 59,0
( brutto)
SKU 800-408
Producent

Kłodnica
Towar dostępny od ręki
0
Magazyn 1.
Pn-Pt zamówienia do 10:55 - dostawa 3 trasa Zamówienia do 17:55 dostawa 1 trasa rano
0
A.B.S.: 16581
ATE: 24.0122-0191.1, 422191
BENDIX: 561976B, 562152B
BOSCH: 0 986 478 993
BRADI: 1.2207.2.4
BRAKE ENGINEERING: DI955570
BRECO: BS8206
BREMBO: 09.6769.10
CAR: 142401
DELPHI: BG3077
FERODO: DDF803
FREMAX: BD-7489
FRI.TECH.: BD0677
FTE: BS4500
GALFER: 24446VF
GUTTMANN: 5018040151
INTERBRAKE: HLN141V, LN141V
JURID: 561976J, 562152J
LPR: L2141V
MAGNETI MARELLI: 353612207240, 360406029000
METELLI: 23-0408
MEYLE: 2155210017
MGA: 105D1208
NK: 202333, 312333
OPEN PARTS: BDR1232.20
OPTIMAL: BS-4780C
PAGID: 50244
QH BENELUX: 57631
QUINTON HAZELL: BDC4500
REMSA: BDM6232.20, DF6232.20
SASIC: 9004832J
SBS: 1815202333, 1815312333
TEXTAR: 98200093801
TRUSTING: DF677
TRW: DF2760
VALEO: 186442
VILLAR: 6282157
WOKING: D6478.10
LANCIA: KAPPA (838_) (1994-08 » 2001-10), KAPPA SW (838_) (1996-07 » 2001-10)