Witaj! Panel klienta

800-455CIFAM

tarcza hamulcowa
TARCZA HAMULC. PEUGEOT 406 95-04
Parametry:
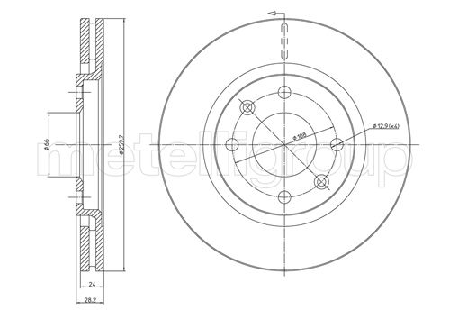
  • Oznaczenie kontrolne : ECE-R90
  • Wysokość [mm] : 28,0
  • Typ tarczy hamulcowej : wentylowany
  • Grubość tarczy hamulcowej [mm] : 24,0
  • średnica zewnętrzna [mm] : 260,0
  • Liczba otworów : 4
  • Średnica otworu centrującego [mm] : 66,0
( brutto)
SKU 800-455
Producent

Kłodnica
Towar dostępny od ręki
0
Magazyn 1.
Pn-Pt zamówienia do 10:55 - dostawa 3 trasa Zamówienia do 17:55 dostawa 1 trasa rano
0
PEUGEOT: 4246.L9
A.B.S.: 16648
APEC: DSK645
ASHIKA: 60-00-0632
ATE: 24.0124-0139.1, 424139
BARUM: BAR24139
BENDIX: 521967, 562027B, 562027BC, BDS1882
BLUE PRINT: ADP154336
BOSCH: 0 986 478 830
BRADI: 1.3616.2.4
BRAKE ENGINEERING: DI955629
BRECO: BS8268, BV8268
BREMBO: 09.6932.10, 09.6932.11
CAR: 142521
DELPHI: BG2871
FEBI BILSTEIN: 10678
FERODO: DDF870
FREMAX: BD-9406
FRI.TECH.: BD0474
FTE: BS4664, BS4664B
GALFER: 24290VF
GUTTMANN: 5021552151
ICER: 78BD9406-2
INTERBRAKE: HPG201V, PG201V
JAPANPARTS: DI-0632, DI-0632C
JAPKO: 600632
JURID: 521967, 562027J, 562027JC
KNECHT: KTV083
LPR: P1201V, P1201VR
MAGNETI MARELLI: 353613616240, 360406040600, 431602041120
MAPCO: 15324, 15324/2
METELLI: 23-0455
MEYLE: 11155210000
MGA: 105D1255
MINTEX: MDC868
NATIONAL: NBD798
NK: 203719, 313719
OPEN PARTS: BDR1714.20
OPTIMAL: BS-4490C
PAGID: 52517
PILENGA: V083
QH BENELUX: 57759
QUINTON HAZELL: BDC4664
REMSA: BDM6714.20, DF6449.10, DF6714.20
ROADHOUSE: 6449.10
ROULUNDS RUBBER: D2174
SASIC: 2464L94J
SBS: 1815203719, 1815313719
SKF: VKBD80544V2
SWAG: 62910678
TEXTAR: 98200078601
TOPRAN: 720244
TRUSTING: DF474
TRW: DF2782, DF2782BP
VALEO: 186532, 673575
VEMA: 98470
VILLAR: 6280520
WOKING: D6449.10
ZIMMERMANN: 440310400, 440310420
PEUGEOT: 406 (8B) (1995-08 » 2005-01), 406 Break (8E/F) (1996-10 » 2004-10), 406 coupe (8C) (1997-03 » 2005-02)