Witaj! Panel klienta

800-496CIFAM

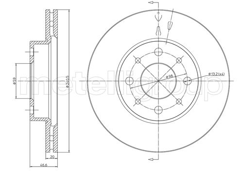
tarcza hamulcowa
TARCZA HAMULC. FIAT PALIO 97-
Parametry:
  • Oznaczenie kontrolne : ECE-R90
  • Wysokość [mm] : 46,5
  • Typ tarczy hamulcowej : wentylowany
  • Grubość tarczy hamulcowej [mm] : 20,0
  • średnica zewnętrzna [mm] : 240,0
  • Liczba otworów : 4
  • Średnica otworu centrującego [mm] : 59,0
( brutto)
SKU 800-496
Producent

Kłodnica
Towar dostępny od ręki
0
Magazyn 1.
Pn-Pt zamówienia do 10:55 - dostawa 3 trasa Zamówienia do 17:55 dostawa 1 trasa rano
0
FIAT: 46419204
A.B.S.: 16904
ASHIKA: 60-00-0247
ATE: 24.0120-0158.1, 24.0120-0193.1, 420158, 420193
BENDIX: 562056B, 562056BC, BDS2179
BOSCH: 0 986 478 878, 0 986 479 S74
BRADI: 1.1529.2.4
BRAKE ENGINEERING: DI955857
BRECO: BS8289
BREMBO: 09.6725.10
CAR: 142195
DELPHI: BG3425
FERODO: DDF888
FREMAX: BD-0178
FRI.TECH.: BD0686
FTE: BS4749, BS4749B
GALFER: 24560VF
GUTTMANN: 5014519551
ICER: 78BD0178-2
INTERBRAKE: FT231V, HFT231V
JAPANPARTS: DI-0247, DI-0247C
JAPKO: 600247
JURID: 562056J, 562056JC
KNECHT: KTV040
LPR: F2231V
MAGNETI MARELLI: 353611529240, 360406023000, 360406023003, 431602040230
MAPCO: 25032
METELLI: 23-0496
MEYLE: 2155212006
MGA: 105D1296
NK: 202331, 312331
OPEN PARTS: BDA1766.20, BDR1766.20
OPTIMAL: BS-5170C
PAGID: 50229, 50911
PILENGA: V040
QH BENELUX: 57832
QUINTON HAZELL: BDC4749
REMSA: BDM6766.20, DF6766.20
SBS: 1815202331, 1815312331
TEXTAR: 98200090301
TRUSTING: DF686
TRW: DF4037
VALEO: 186571
VEMA: 98092
VILLAR: 6281560
WOKING: D6517.10
FIAT: ALBEA/SIENA (178_, 172_) (1996-04 » 2016-12), PALIO (178_, 171_, 371_) (1996-04 » ), PALIO Weekend (178_, 173_, 373_, 374_, 171_) (1996-04 » )