Witaj! Panel klienta

800-535CIFAM

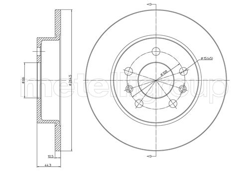
tarcza hamulcowa
TARCZA HAMULCOWA RENAULT LAGUNA 95-01 TYŁ
Parametry:
  • Oznaczenie kontrolne : ECE-R90
  • Wysokość [mm] : 44,5
  • Typ tarczy hamulcowej : pełny
  • Grubość tarczy hamulcowej [mm] : 10,5
  • średnica zewnętrzna [mm] : 265,0
  • Liczba otworów : 5
  • Średnica otworu centrującego [mm] : 66,0
( brutto)
SKU 800-535
Producent

Kłodnica
Towar dostępny od ręki
0
Magazyn 1.
Pn-Pt zamówienia do 10:55 - dostawa 3 trasa Zamówienia do 17:55 dostawa 1 trasa rano
0
A.B.S.: 16215
APEC: DSK707
ASHIKA: 61-00-0707
ATE: 24.0110-0220.1, 410220
BENDIX: 521945, 561596B, 561596BC, BDS2077
BOSCH: 0 986 478 757
BRADI: 1.4026.5.5
BRAKE ENGINEERING: DI955319
BRECO: BS7594
BREMBO: 08.4645.50, 08.5645.50
CAR: 142562
DELPHI: BG2696, BG2698
FERODO: DDF556
FREMAX: BD-4296
FRI.TECH.: BD0180
FTE: BS4405
GUTTMANN: 5022056215
ICER: 78BD4296-2
INTERBRAKE: HRN403P, RN403P
JAPANPARTS: DP-0707, DP-0707C
JAPKO: 610707
JURID: 521945, 561596J, 561596JC
KNECHT: KT5746
LPR: R1403P
MAGNETI MARELLI: 353614026550, 360406043600, 431602041750
MAPCO: 15119, 15119/2, 15123
METELLI: 23-0535
MEYLE: 16155230008
MGA: 105D1157
MINTEX: MDC785
NATIONAL: NBD496
NK: 203915, 313915
OPEN PARTS: BDA1467.10, BDR1467.10
OPTIMAL: BS-2392C
PAGID: 52809
PILENGA: 5746
QH BENELUX: 57449
QUINTON HAZELL: BDC4405
REMSA: BDM6467.10, DF6239.02, DF6467.10
ROADHOUSE: 6239.02
SASIC: 4004280J
SBS: 1815203915, 1815313915
TEXTAR: 98200065101
TRUSTING: DF180
TRW: DF1029, DF1029BP
VALEO: 186307, 673526
VEMA: 98498
VILLAR: 6281212
WOKING: D6239.02
RENAULT: LAGUNA I (B56_, 556_) (1993-11 » 2002-08), LAGUNA I Grandtour (K56_) (1995-09 » 2002-08), SAFRANE I (B54_) (1992-04 » 1997-10), SAFRANE II (B54_) (1996-07 » 2000-12)