Witaj! Panel klienta

800-574CCIFAM

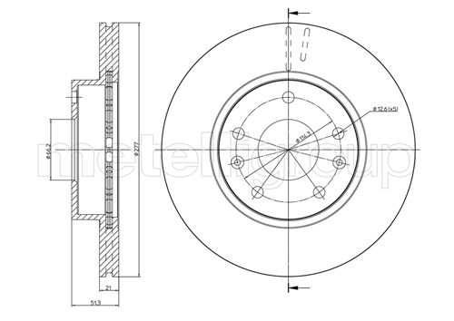
tarcza hamulcowa
TARCZA HAMULCOWA LANDROVER FREELANDER 00-07
Parametry:
  • Oznaczenie kontrolne : ECE-R90
  • Wysokość [mm] : 51,2
  • Typ tarczy hamulcowej : wentylowany
  • Grubość tarczy hamulcowej [mm] : 21,0
  • średnica zewnętrzna [mm] : 277,0
  • Liczba otworów : 7
  • Średnica otworu centrującego [mm] : 66,1
  • Powierzchnia : lakierowany
( brutto)
SKU 800-574C
Producent

Kłodnica
Towar dostępny od ręki
0
Magazyn 1.
Pn-Pt zamówienia do 10:55 - dostawa 3 trasa Zamówienia do 17:55 dostawa 1 trasa rano
0
LAND ROVER: SDB101070
A.B.S.: 17389
APEC: DSK2120
ASHIKA: 60-0L-L00, 60-0L-L00C
ATE: 24.0121-0114.1, 421114
BENDIX: 521076, 562225B, 562225BC
BOSCH: 0 986 478 992
BRAKE ENGINEERING: DI956054
BRECO: BS8413, BV8413
BREMBO: 09.8609.10, 09.8609.11
CAR: 142298
DELPHI: BG3702, BG3702C
FEBI BILSTEIN: 43829
FERODO: DDF1151, DDF1151C
FRI.TECH.: BD0824
FTE: BS5368
GALFER: 24568VF
GUTTMANN: 5018529851
ICER: 78BD1010-2
INTERBRAKE: AV331V, HAV331V
JAPANPARTS: DI-L00, DI-L00C
JAPKO: 60L00, 60L00C
JURID: 521076, 562225J, 562225JC
KNECHT: KTV439
LPR: A4000V, A4000VR
MAGNETI MARELLI: 351033420500
MAPCO: 15685
METELLI: 23-0574C
MEYLE: 53155210008/PD
MINTEX: MDC1502, MDC1502C
NATIONAL: NBD1129
NK: 204020, 314020
OPEN PARTS: BDR1968.20, BDRS1968.25
OPTIMAL: BS-7730C
PAGID: 54157, 54157NC
PILENGA: V439
QH BENELUX: 58052
QUINTON HAZELL: BDC5368
REMSA: BDM6968.20, DF6968.20
SBS: 1815204020, 1815314020
SKF: VKBD80450V2
SWAG: 22943829
TEXTAR: 92115703, 98200115701
TRUSTING: DF824
TRW: DF4221
VALEO: 673404
VEMA: 98345
VILLAR: 6281725
WOKING: D6670.10
LAND ROVER: FREELANDER I (L314) (1998-02 » 2006-10), FREELANDER I Soft Top (L314) (1998-02 » 2006-10)