Witaj! Panel klienta

800-661CIFAM

tarcza hamulcowa
TARCZA HAMULCOWA NISSAN ALMERA 95-97 TYŁ
Parametry:
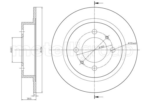
  • Oznaczenie kontrolne : ECE-R90
  • Wysokość [mm] : 39,5
  • Typ tarczy hamulcowej : pełny
  • Grubość tarczy hamulcowej [mm] : 7,0
  • średnica zewnętrzna [mm] : 234,0
  • Liczba otworów : 6
  • Średnica otworu centrującego [mm] : 68,0
( brutto)
SKU 800-661
Producent

Kłodnica
Towar dostępny od ręki
0
Magazyn 1.
Pn-Pt zamówienia do 10:55 - dostawa 3 trasa Zamówienia do 17:55 dostawa 1 trasa rano
0
NISSAN: 43206-58Y01
A.B.S.: 16212
APEC: DSK246
ATE: 24.0107-0108.1, 407108
BENDIX: 520311, 561728B
BLUE PRINT: ADN14377
BOSCH: 0 986 478 865
BRADI: 1.3271.5.4
BRAKE ENGINEERING: DI955311
BRECO: BS7521
BREMBO: 08.6899.10
CAR: 142803, 142833, 142883
DELPHI: BG2822, BG3126
FERODO: DDF790
FREMAX: BD-5803
FRI.TECH.: BD0112
FTE: BS4586, BS4586B
GUTTMANN: 5020588351
ICER: 78BD5803-2
INTERBRAKE: HNS781P, MB231V, NS781P
JAPANPARTS: DP-130, DP-130C
JAPKO: 61130, 61130C
JURID: 520311, 561728J
KNECHT: KT5392
LPR: N2781P
MAGNETI MARELLI: 353613271540
MAPCO: 15509
METELLI: 23-0661
MEYLE: 36155230017, 36155230017/PD
MGA: 105D1328
MINTEX: MDC1007
NATIONAL: NBD537
NIPPARTS: J3311030
NK: 202246, 312246
OPEN PARTS: BDA1396.10, BDR1396.10
OPTIMAL: BS-4240C
PAGID: 50220
PILENGA: 5392
QH BENELUX: 57369
QUINTON HAZELL: BDC4586
REMSA: BDM6396.10, DF6396.10, DF6424.00
ROADHOUSE: 6424.00
SBS: 1815202246, 1815312246
SWAG: 82915893
TEXTAR: 98200080001
TRUSTING: DF112
TRW: DF4006
VALEO: 673446
VEMA: 98428
VILLAR: 6281032
WOKING: D6424.00
DODGE: STEALTH liftback (1990-09 » 1996-12)
MITSUBISHI: 3000 GT coupe (Z1_A) (1989-06 » 2000-08)
NISSAN: 100NX (B13) (1990-03 » 1996-01), ALMERA I (N15) (1995-07 » 2000-09), ALMERA I Hatchback (N15) (1995-07 » 2001-01), SUNNY III (N14, B13) (1990-05 » 1996-12), SUNNY III Hatchback (N14) (1990-08 » 1995-07), SUNNY III Liftback (N14) (1990-10 » 1995-10), SUNNY III Traveller (Y10) (1990-11 » 2000-03)