Witaj! Panel klienta

800-681CCIFAM

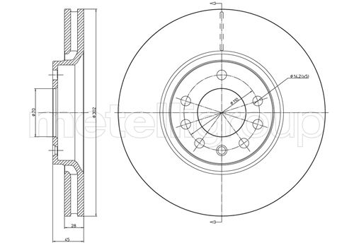
tarcza hamulcowa
TARCZA HAMULCOWA OPEL VECTRA C 02-08
Parametry:
  • Oznaczenie kontrolne : ECE-R90
  • Wysokość [mm] : 45,0
  • Typ tarczy hamulcowej : wentylowany
  • Grubość tarczy hamulcowej [mm] : 28,0
  • średnica zewnętrzna [mm] : 302,0
  • Liczba otworów : 5
  • Średnica otworu centrującego [mm] : 70,0
  • Powierzchnia : lakierowany
( brutto)
SKU 800-681C
Producent

Kłodnica
Towar dostępny od ręki
0
Magazyn 1.
Pn-Pt zamówienia do 10:55 - dostawa 3 trasa Zamówienia do 17:55 dostawa 1 trasa rano
0
OPEL: 569004, 93171500
SAAB: 9191247
A.B.S.: 17370, 17370S
APEC: DSK2178
ASHIKA: 60-00-009
ATE: 24.0128-0137.1, 24.0328-0137.1, 428137, 528137
BENDIX: 521095, 562385B, 562385BC
BLUE PRINT: ADA104333
BOSCH: 0 986 479 076
BRAKE ENGINEERING: DI956250
BRECO: BS8468, BV8468
BREMBO: 09.9162.11
CAR: 142032
DELPHI: BG3772, BG3772C
FERODO: DDF1215, DDF1215C
FREMAX: BD-9004
FRI.TECH.: BD0973
FTE: BS5421, BS5421B
GALFER: 24624VF
GUTTMANN: 5021003251
ICER: 78BD9004-2
INTERBRAKE: HOP541V, OP541V
JAPANPARTS: DI-009, DI-009C
JAPKO: 60009
JURID: 521095, 562385J, 562385JC
KLAXCAR FRANCE: 25262z
LPR: O1002V
MAGNETI MARELLI: 351344520500, 360406008200
MAPCO: 25707
METELLI: 23-0681C
MEYLE: 6155216022, 6155216022/PD
MINTEX: MDC1557
NATIONAL: NBD1169
NK: 203648, 313648
OPEN PARTS: BDR1990.20, BDRS1990.25
OPTIMAL: BS-7918C, BS-7918HC
PAGID: 54183NC
PILENGA: V763
QH BENELUX: 58167
QUINTON HAZELL: BDC5421
REMSA: BDM6990.20, DF6687.10, DF6990.20
ROADHOUSE: 6687.10
SBS: 1815203648, 1815313648, 1815343648
SKF: VKBD80411V1
SWAG: 40923550
TEXTAR: 98200118301
TRUSTING: DF973
TRW: DF4265, DF4265S
VAICO: V40-80047
VILLAR: 6281061
WOKING: D6687.10
ZIMMERMANN: 430149500, 430149520
CADILLAC: BLS (2006-04 » ), BLS Wagon (2007-12 » )
CHEVROLET: VECTRA (2005-01 » )
OPEL: SIGNUM liftback (Z03) (2003-05 » 2008-12), VECTRA C (Z02) (2002-04 » 2009-01), VECTRA C GTS (Z02) (2002-08 » 2009-01), VECTRA C Kombi (Z02) (2003-10 » 2009-01)
SAAB: 9-3 (YS3F, E79, D79, D75) (2002-09 » 2015-02), 9-3 kabriolet (YS3F) (2003-08 » 2015-02), 9-3 Kombi (E50) (2005-03 » 2015-02), 9-3X (YS3) (2009-02 » 2015-02)
VAUXHALL: SIGNUM (Z03) (2003-03 » 2008-10), VECTRA Mk II (C) (Z02) (2000-01 » 2008-10), VECTRA Mk II (C) GTS (Z02) (2002-08 » 2009-05), VECTRA Mk II (C) Kombi (Z02) (2003-10 » 2009-05)