Witaj! Panel klienta

800-712CIFAM

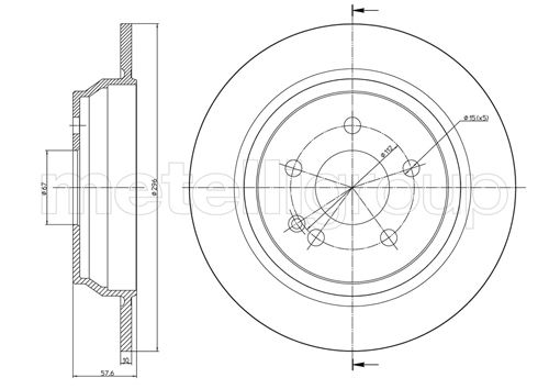
tarcza hamulcowa
TARCZA HAMULCOWA MERCEDES VITO BM639 03- TYŁ
Parametry:
  • Oznaczenie kontrolne : ECE-R90
  • Wysokość [mm] : 57,5
  • Typ tarczy hamulcowej : pełny
  • Grubość tarczy hamulcowej [mm] : 10,0
  • średnica zewnętrzna [mm] : 296,0
  • Liczba otworów : 5
  • Średnica otworu centrującego [mm] : 67,0
( brutto)
SKU 800-712
Producent

Kłodnica
Towar dostępny od ręki
0
Magazyn 1.
Pn-Pt zamówienia do 10:55 - dostawa 3 trasa Zamówienia do 17:55 dostawa 1 trasa rano
0
A.B.S.: 17621
APEC: DSK2263
ASHIKA: 61-00-0532
ATE: 24.0110-0280.1, 410280
BARUM: BAR10280
BENDIX: 522001, 562263B, 562263BC
BLUE PRINT: ADU174354
BOSCH: 0 986 479 138
BRAKE ENGINEERING: DI956350
BRECO: BS7626, BV7626
BREMBO: 08.8405.10, 08.8405.11
CAR: 1421100
DELPHI: BG3969, BG3969C
FEBI BILSTEIN: 24077
FERODO: DDF1234, DDF1234C
FRI.TECH.: BD0967
FTE: BS5429, BS5429B
GUTTMANN: 5019539715
HELLA: 355110091
ICER: 78BD0416-2
INTERBRAKE: HMD061P, MD061P
JAPANPARTS: DP-0532, DP-0532C
JAPKO: 610532
JURID: 522001, 562263J, 562263JC
KLAXCAR FRANCE: 25269z
LPR: M2013P, M2013PR
MAPCO: 25804
METELLI: 23-0712
MEYLE: 0155232060, 0835232060/PD
MINTEX: MDC1729, MDC1729C
NATIONAL: NBD1346
NK: 203376, 313376
OPEN PARTS: BDA2040.10, BDR2040.10
OPTIMAL: BS-7806C
PAGID: 54235, 54235NC
PILENGA: 5901
QH BENELUX: 58296
QUINTON HAZELL: BDC5429
REMSA: BDM6678.00, DF6678.00
SBS: 1815203376, 1815313376
SWAG: 10924077
TEXTAR: 93123503
TOPRAN: 401928
TRUSTING: DF967
TRW: DF4356
VAICO: V30-40050
VALEO: 186858
VILLAR: 6281171
WOKING: D6678.00
ZIMMERMANN: 400647300, 400647320
MERCEDES-BENZ: VIANO (W639) (2003-09 » ), VITO / MIXTO Furgon (W639) (2003-08 » ), VITO Autobus (W639) (2003-09 » )