Witaj! Panel klienta

800-748CCIFAM

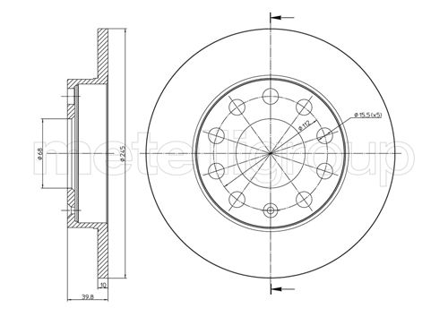
tarcza hamulcowa
TARCZA HAMULC. AUDI A4 00-08 TYŁ
Parametry:
  • Oznaczenie kontrolne : ECE-R90
  • Wysokość [mm] : 40,0
  • Typ tarczy hamulcowej : pełny
  • Grubość tarczy hamulcowej [mm] : 10,0
  • średnica zewnętrzna [mm] : 245,0
  • Liczba otworów : 5
  • Średnica otworu centrującego [mm] : 68,0
  • Powierzchnia : lakierowany
( brutto)
SKU 800-748C
Producent

Kłodnica
Towar dostępny od ręki
0
Magazyn 1.
Pn-Pt zamówienia do 10:55 - dostawa 3 trasa Zamówienia do 17:55 dostawa 1 trasa rano
0
A.B.S.: 17332
APEC: DSK2098
ASHIKA: 61-00-0929
ATE: 24.0110-0261.1, 24.0310-0261.1, 410261, 510261
BENDIX: 520636, 562192B, 562192BC
BLUE PRINT: ADV184323
BOSCH: 0 986 478 986
BRADI: 1.0106.5.6
BRAKE ENGINEERING: DI956129
BRECO: BS7630, BV7630
BREMBO: 08.9136.10, 08.9136.11, 08.9136.75
CAR: 142281, 142745
DELPHI: BG2753, BG2753C, BG3673, BG3673C
FERODO: DDF1232, DDF1709, DDF1709C
FREMAX: BD-3637
FRI.TECH.: BD0964
FTE: BS5307B
GUTTMANN: 5011528115
HELLA: 355107541
ICER: 78BD3637-2
INTERBRAKE: AD581P, AD621P, HAD621P
JAPANPARTS: DP-0929, DP-0929C
JAPKO: 610929
JURID: 520636, 562192J, 562192JC
LPR: A1007P, A1007PR
MAGNETI MARELLI: 353610106560, 360406012200, 431602040880
MAPCO: 15883, 15883C
METELLI: 23-0748C
MEYLE: 1155230030, 1155230030/PD, 1155231084, 1155231084/PD, 1155231111, 1155231111/PD
MINTEX: MDC1523, MDC1523C
NATIONAL: NBD1150
NK: 204778, 314778
OPEN PARTS: BDR1939.10
OPTIMAL: BS-8046C
PAGID: 50311NC
PILENGA: 5869
QH BENELUX: 57977
QUINTON HAZELL: BDC5307
REMSA: BDM6581.10, BDM6753.00, DF6581.10, DF6753.00
SBS: 1815204778, 1815314778
SKF: VKBD90234S2
SWAG: 30923570
TEXTAR: 92106200, 92106203, 98200106201
TRUSTING: DF964
TRW: DF4186, DF4186BP
VAICO: V10-40078
VALEO: 186807
VILLAR: 6281799
WOKING: D6753.00
ZIMMERMANN: 100124320, 100331420
AUDI: 80 B4 Avant (8C5) (1991-09 » 1996-01), 80 B4 sedan (8C2) (1991-09 » 1995-07), A4 B6 (8E2) (2000-11 » 2005-12), A4 B6 Avant (8E5) (2000-02 » 2005-12), A4 B6 kabriolet (8H7) (2002-01 » 2009-12), A4 B7 (8EC) (2004-11 » 2009-01), A4 B7 Avant (8ED) (2004-11 » 2008-11), A4 B7 kabriolet (8HE) (2002-01 » 2010-01), COUPE B3 (89, 8B3) (1988-10 » 1996-12)
AUDI (FAW): A4 B6 (8E2) (2002-08 » 2005-07), A4 B7 (8YC) (2003-04 » 2008-09)
SEAT: EXEO (3R2) (2008-12 » 2013-05), EXEO ST (3R5) (2009-05 » 2013-05)