Witaj! Panel klienta

800-770CCIFAM

tarcza hamulcowa
TARCZA HAMULCOWA VOLVO S70,V70 97-00
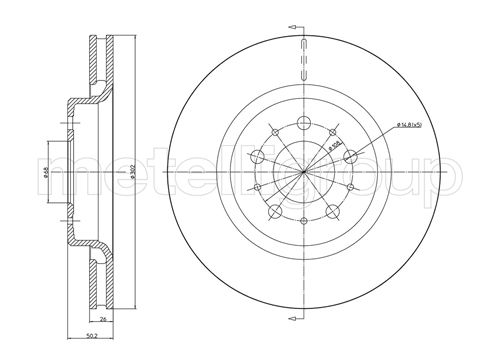
Parametry:
  • Oznaczenie kontrolne : ECE-R90
  • Wysokość [mm] : 50,0
  • Typ tarczy hamulcowej : wentylowany
  • Grubość tarczy hamulcowej [mm] : 26,0
  • średnica zewnętrzna [mm] : 302,0
  • Liczba otworów : 5
  • Średnica otworu centrującego [mm] : 68,0
  • Powierzchnia : lakierowany
( brutto)
SKU 800-770C
Producent

Kłodnica
Towar dostępny od ręki
0
Magazyn 1.
Pn-Pt zamówienia do 10:55 - dostawa 3 trasa Zamówienia do 17:55 dostawa 1 trasa rano
0
A.B.S.: 17410
APEC: DSK2050
ASHIKA: 60-00-0342
ATE: 24.0126-0107.1, 24.0326-0107.1, 426107, 526107
BENDIX: 520995, 562607BC, BDS2127
BOSCH: 0 986 478 454
BRAKE ENGINEERING: DI955675
BRECO: BS8429, BV8429
BREMBO: 09.8642.11
CAR: 142672
DELPHI: BG3418
FERODO: DDF1031
FREMAX: BD-9076
FRI.TECH.: BD0817
FTE: BS4810
GALFER: 24592VF
GUTTMANN: 5027067251
INTERBRAKE: HVV441V, VV441V
JAPANPARTS: DI-0342, DI-0342C
JAPKO: 600342
JURID: 520995, 562607JC
LPR: V1441V
MAGNETI MARELLI: 351603220500, 360406009600
MAPCO: 15975
METELLI: 23-0770C
MEYLE: 5155215020
MINTEX: MDC1353
NATIONAL: NBD944
NK: 204837, 314837
OPEN PARTS: BDR1965.20, BDRS1965.25
OPTIMAL: BS-8070C
PAGID: 54026HC
PILENGA: V265
QH BENELUX: 57819
QUINTON HAZELL: BDC4810
REMSA: BDM6795.10, BDM6965.20, DF6795.10, DF6965.20
SBS: 1815204837, 1815314837
SKF: VKBD80629V1
SWAG: 55922712
TEXTAR: 98200092301
TRUSTING: DF817
TRW: DF4233
VAICO: V95-80003
VEMA: 98602
VILLAR: 6281770
WOKING: D6795.10
ZIMMERMANN: 610119900, 610119920
VOLVO: C70 I coupe (872) (1997-03 » 2002-09), C70 I kabriolet (873) (1998-03 » 2005-10), S70 (874) (1996-11 » 2000-11), V70 I (875, 876) (1995-12 » 2000-12), XC70 I Cross Country (295) (1997-10 » 2007-10)