Witaj! Panel klienta

800-855CCIFAM

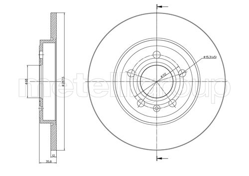
tarcza hamulcowa
TARCZA HAMULC. AUDI A4 04-08 TYŁ
Parametry:
  • Oznaczenie kontrolne : ECE-R90
  • Wysokość [mm] : 35,8
  • Typ tarczy hamulcowej : pełny
  • Grubość tarczy hamulcowej [mm] : 12,0
  • średnica zewnętrzna [mm] : 288,0
  • Liczba otworów : 5
  • Średnica otworu centrującego [mm] : 68,0
  • Powierzchnia : lakierowany
( brutto)
SKU 800-855C
Producent

Kłodnica
Towar dostępny od ręki
0
Magazyn 1.
Pn-Pt zamówienia do 10:55 - dostawa 3 trasa Zamówienia do 17:55 dostawa 1 trasa rano
0
A.B.S.: 17627
APEC: DSK2318, SDK6416
ASHIKA: 61-00-0908
ATE: 24.0112-0166.1, 412166
BENDIX: 521495, 562667BC
BLUE PRINT: ADV184314
BOSCH: 0 986 479 252
BRAKE ENGINEERING: DI956676
BRECO: BS7745, BV7745
BREMBO: 08.A322.10, 08.A332.10, 08.A332.11
CAR: 1421134
DELPHI: BG3996
FERODO: DDF1423, DDF1423C
FRI.TECH.: BD1091
FTE: BS7098B
GUTTMANN: 50115128211
ICER: 78BD5316-2
INTERBRAKE: AD791P, HAD791P
JAPANPARTS: DP-0908, DP-0908C
JAPKO: 610908
JURID: 521495, 562667JC
KLAXCAR FRANCE: 25330z
LPR: A1029P
MAPCO: 25877
METELLI: 23-0855C
MEYLE: 1155230031, 1155230031/PD, 1155231112
NATIONAL: NBD1521
NK: 2047111, 3147111
OPEN PARTS: BDR2261.10
OPTIMAL: BS-8048C
PAGID: 54370NC
PILENGA: 5883
QH BENELUX: 58325
QUINTON HAZELL: BDC5557
REMSA: DF61011.00
ROADHOUSE: 61011.00
SBS: 18152047111, 18153147111
SKF: VKBD90350S2
SWAG: 30936234
TRUSTING: DF1091
TRW: DF4756
VAICO: V10-40013
VALEO: 673302
VILLAR: 6282252
WOKING: D61011.00
ZIMMERMANN: 100331020, 100331053
AUDI: A4 B6 (8E2) (2000-11 » 2005-12), A4 B6 Avant (8E5) (2000-02 » 2005-12), A4 B6 kabriolet (8H7) (2002-01 » 2009-12), A4 B7 (8EC) (2004-11 » 2009-01), A4 B7 Avant (8ED) (2004-11 » 2008-11), A4 B7 kabriolet (8HE) (2002-01 » 2010-01)
AUDI (FAW): A4 B6 (8E2) (2002-08 » 2005-07), A4 B7 (8YC) (2003-04 » 2008-09)
SEAT: EXEO (3R2) (2008-12 » 2013-05), EXEO ST (3R5) (2009-05 » 2013-05)