Witaj! Panel klienta

800-953CIFAM

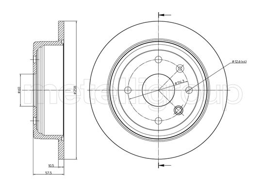
tarcza hamulcowa
TARCZA HAMULCOWA CHEVROLET LACETTI 04- TYŁ
Parametry:
  • Oznaczenie kontrolne : ECE-R90
  • Wysokość [mm] : 57,5
  • Typ tarczy hamulcowej : pełny
  • Grubość tarczy hamulcowej [mm] : 11,0
  • średnica zewnętrzna [mm] : 258,0
  • Liczba otworów : 4
  • Średnica otworu centrującego [mm] : 60,0
( brutto)
SKU 800-953
Producent

Kłodnica
Towar dostępny od ręki
0
Magazyn 1.
Pn-Pt zamówienia do 10:55 - dostawa 3 trasa Zamówienia do 17:55 dostawa 1 trasa rano
0
CHEVROLET: 96549630
DAEWOO: 96549630
A.B.S.: 17686
APEC: DSK2485, SDK6492
ASHIKA: 61-0W-W03, 61-0W-W03C
ATE: 24.0110-0340.1, 410340
BENDIX: 521489, 562740BC, 562882BC
BLUE PRINT: ADG04362
BOSCH: 0 986 479 404, 0 986 479 985, 0 986 479 S08
BRAKE ENGINEERING: DI956601
BRECO: BS7783, BV7783
BREMBO: 08.A872.10, 08.A872.11
CAR: 1421545
DELPHI: BG4091
FEBI BILSTEIN: 108451
FERODO: DDF1606, DDF1606C
FRI.TECH.: BD0092
FTE: BS5558, BS7736, BS7736B
GUTTMANN: 50250140115
ICER: 78BD6028-2
INTERBRAKE: OP841P
JAPANPARTS: DP-W03, DP-W03C
JAPKO: 61W03, 61W03C
JURID: 521489, 562740JC, 562882JC
KLAXCAR FRANCE: 25177z
LPR: D4000P, D4000PR
METELLI: 23-0953
MEYLE: 29155230002
MINTEX: MDC1900
NATIONAL: NBD1462
NIPPARTS: N3310909
NK: 205011, 315011
OPEN PARTS: BDA2025.10, BDR2025.10
OPTIMAL: BS-8478C
PAGID: 54630, 54630NC
QH BENELUX: 58425
QUINTON HAZELL: BDC5543
REMSA: DF6876.00
SBS: 1815205011, 1815315011
SKF: VKBD90758S2
SWAG: 33106683
TRUSTING: DF092
VAICO: V51-40004
VALEO: 197591
VILLAR: 6282309
WOKING: D6876.00
ZIMMERMANN: 185395420
BUICK (SGM): EXCELLE HRV (2004-10 » 2013-12), EXCELLE Kombi (2004-01 » 2013-12), EXCELLE sedan (2003-04 » 2008-05), EXCELLE sedan (2008-05 » 2013-02)
CHEVROLET: LACETTI (J200) (2003-03 » ), LACETTI Kombi (J200) (2003-05 » ), LACETTI sedan (J200) (2003-03 » 2013-03), NUBIRA Kombi (2005-01 » 2011-12), NUBIRA sedan (2005-01 » 2012-12)
CHEVROLET (SGM): EPICA (SEV, CEV) (2005-04 » 2015-12)
DAEWOO: GENTRA sedan (2013-06 » ), LACETTI liftback (KLAN) (2002-02 » ), LACETTI sedan (1999-06 » 2003-07), NUBIRA sedan (J200) (2003-07 » ), NUBIRA Wagon (J200) (2003-07 » )