| Symbol |
Nazwa |
Ilość |
| ABE9045 |
łożysko |
1 |
| ABE9045(INA) |
łożysko |
1 |
| ABE9045(BULK) |
łożysko |
1 |
| SB1008 |
szczotka węglowa, rozrusznik |
1 |
| SBH1004 |
mocowanie, szczotki węglowe |
1 |
| SD1026 |
sprzęgło jednokierunkowe, rozrusznik |
1 |
| SS1038(DELCO) |
włącznik elektromagnetyczny rozrusznika |
1 |
| SS1038 |
włącznik elektromagnetyczny rozrusznika |
1 |
| SD1062 |
sprzęgło jednokierunkowe, rozrusznik |
1 |
| SP1003 |
zestaw naprawczy, alternator |
1 |
| SA1022 |
twornik, rozrusznik |
1 |
| SRS1036 |
pokrywa rozrusznika, gaźnika |
1 |
| SBR1022S |
pokrywa rozrusznika, gaźnika |
1 |
| SD1067S |
sprzęgło jednokierunkowe, rozrusznik |
1 |
| SF1015S |
uzwojenie wzbudzające, rozrusznik |
1 |
| SRS1039S |
zestaw naprawczy, rozrusznik |
1 |
| SRS1035 |
zestaw naprawczy, alternator |
1 |
| SRS3032 |
zestaw naprawczy, rozrusznik |
1 |
| SA1014 |
twornik, rozrusznik |
1 |
| SBU9118 |
tuleja, wał rozrusznika |
1 |
| ABE9045(KOYO) |
łożysko |
1 |
| SD1026P |
sprzęgło jednokierunkowe, rozrusznik |
1 |
| SBU9118(BULK) |
tuleja, wał rozrusznika |
1 |
| SBU9265S |
tuleja, wał rozrusznika |
1 |
| ABE9045(KOYO)(BULK) |
łożysko |
1 |
| SRS1027 |
zestaw naprawczy, alternator |
1 |
| SL1002 |
dźwignia rozrusznika, gaźnik |
1 |
| SA1014SR |
twornik, rozrusznik |
1 |
| SG1010S |
zestaw naprawczy, rozrusznik |
1 |
| SA1033S |
twornik, rozrusznik |
1 |
DAF: 1524014RFIAT: 1319555080,
1331329080,
134705808,
1347058080,
134705880,
52110465,
55195967,
71724237,
71724240,
71789529,
71797122,
K1347058080IVECO: 551959670PEUGEOT: 5802AQ,
5802FA
AS-PL: 10060117AV,
101389,
101389B,
11021640,
1265008,
1638125980,
20409711BN,
20409711OE,
2S0355R,
300050092,
3103,
3118780,
3118785,
6060117.0,
6060117.1,
72535234,
A21640,
ANM16187,
ANM16187X,
BOS0001109300,
BST2282,
CGB-23967,
DENDSN3014,
EZ0461,
LES0418,
MS1083,
MS453,
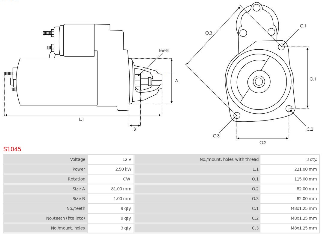
S1045,
S12DR0003A2,
SDL117A,
SEG0001109300,
STD1434,
STM642,
STR2090,
STR4092,
STR50314,
STR50500,
STRL073,
STRL073M,
STX200030,
STX200030R,
TT16508,
UD01816S,
UD11993S,
V22-12-09300,
WG2013238,
WG2013239,
WG2170235,
WOOSTR50314,
WOOSTR50500AUTOELECTRO: AEU1389BOM-PRESTOLITE: S1068B,
S1361RBOSCH: 0001109291,
0001109292,
0001109300,
0001109301,
0001109429,
0001109520,
0986021640,
0986025580,
1986S00733BV PSH: 500.540.093.030,
500.540.093.038,
500.540.093.260,
500.540.093.395,
500.540.093.461,
500.540.093.462CASCO: CST60117AS,
CST60117GSDELCO REMY: 8000032,
8000320,
8000567,
DRS3967,
DRS3967N,
DRS3967X,
EF17693,
EF17693NDENSO: DSN1514,
DSN3014EAI: 12009ELSTOCK: 25-3395ERA: 220331,
220331A,
220679,
220679AFARCOM: 106225FRIESEN: 8021640GHIBAUDI: SG0107HC-CARGO: 113935,
114145,
115501,
F032113935,
F032114145,
F032115501HC-PARTS: CS1434HELLA: 8EA012527-651HERTH+BUSS ELPARTS: 42109300LETRIKA: 11.139.243,
AZD2143,
IS9541LUCAS: LRS02223,
LRS2223MAGNETI MARELLI: 063721434010,
63521093,
944280216400,
944280801190,
MQS1434,
MRS21640,
MSN2026POWERMAX: 88213222VALEO: 201015,
438401,
438516,
458659,
460458WAI: 33223N
CITROEN: JUMPER I Autobus (230P) (1994-02 » 2002-04), JUMPER I Autobus (244, Z_) (2002-04 » ), JUMPER I Furgon (230L) (1994-02 » 2002-08), JUMPER I Furgon (244) (2002-04 » ), JUMPER I Platforma / podwozie (230) (1994-03 » 2002-04), JUMPER I Platforma / podwozie (244) (2002-02 » ), JUMPER II Autobus (2006-04 » ), JUMPER II Furgon (2006-04 » ), JUMPER II Platforma / podwozie (2006-04 » )
FIAT: DUCATO Autobus (230_) (1994-03 » 2005-05), DUCATO Autobus (244_) (2001-12 » ), DUCATO Autobus (250_) (2006-07 » ), DUCATO Furgon (230_) (1994-03 » 2005-05), DUCATO Furgon (244_) (2001-12 » ), DUCATO Furgon (250_) (2006-07 » ), DUCATO Platforma / podwozie (230_) (1994-03 » 2002-04), DUCATO Platforma / podwozie (244_) (2001-12 » ), DUCATO Platforma / podwozie (250_) (2006-07 » )
PEUGEOT: BOXER Autobus (2005-09 » ), BOXER Autobus (230P) (1994-03 » 2009-12), BOXER Autobus (244, Z_) (2001-12 » ), BOXER Furgon (2006-04 » ), BOXER Furgon (230L) (1994-03 » 2006-08), BOXER Furgon (244) (2001-12 » ), BOXER Platforma / podwozie (2006-04 » ), BOXER Platforma / podwozie (244) (2001-12 » ), BOXER Platforma / podwozie (ZCT_) (1994-03 » 2002-04)
SMART: FORTWO coupe (450) (2004-01 » 2007-02)